24小时咨询热线:13151063325

双击可放大

高压电磁流量计

高压电磁流量计的详细资料:☆概述高压电磁流量计是一种根据法拉电磁感应定律来测量管内导电介质体积流量的···...
在线咨询
咨询热线:13151063325

产品简介/ Product introduction

高压电磁流量计的详细资料:

☆概述

高压电磁流量计是一种根据法拉电磁感应定律来测量管内导电介质体积流量的感应式仪表,采用单片机嵌入式技术,实现数字励磁,同时在电磁流量计上采用CAN现场总线,属国内,技术达到国内水平。电磁流量计在满足现场显示的同时,还可以输出4~20mA电流信号供记录、调节和控制用,现已广泛地应用于化工、环保、冶金、医药、造纸、给排水等工业技术和管理部门。电磁流量计除可测量一般导电液体的流量外,还可测量液固两相流,高粘度液流及盐类、强酸、强碱液体的体积流量。

☆技术参数

表1

适用管径DN25~DN2600(DN25以下为非标)
电极材料316L(不锈钢)、HC(哈氏C)、HB(哈氏B)、Ti(钛)、Ta(钽)
适用介质导电率>5us/cm的液体
测量范围0.1~10m/s(可扩展到15m/s)
量程上限0.5~10m/s,推荐1~5m/s
精度等级0.3级、0.5级、1.0级(随口径区分)
输出信号4~20mADC,负载≤750Ω;0~3KHz,5V有源,可变脉宽,有效频率输出:RS485接口
工作压力1.0MPa,1.6MPa,4.0MPa,16MPa(特殊)
流体温度-20℃~80℃,80℃~130℃,130℃~180℃ 参考衬里材质
环境温度传感器-40℃~80℃;转换器-15℃~50℃
环境温度≤85RH(20℃时)
电缆出口尺寸M20×1.5
供电电源220VAC±10%;50Hz±1Hz;24VDC±10%
功 耗≤8W
外壳防护等级一体式:IP65分体式:传感器IP68转换器IP65
接地环材质1Cr18Ni9Ti(不锈钢)、HC(哈氏C)、Ti(钛)、Ta(钽)、Cu(铜)
连接法兰国标GB9119-88(DIN2051,BS4504)

☆工作原理

电磁流量计测量原理是基于法拉第电磁感应定律。流量计的测量管是一内衬绝缘材料非导磁合金短管。两只电极沿管径方向穿通壁固定在测量管上。其电极头与衬里内表面基本齐平。励磁线圈由双向方波脉冲劢磁时,将在与测量管轴线垂直的方向上产生一磁通量密度为B的工作磁场。此时,如果具有一定电导率的液体流经测量管,将切割磁力线感应出电动势E。电动势E正比于磁通量密度B,测量管内径d与平均流速V 的乘积。电动势E(流量信号)由电极检出并通过电缆送至转换器。转换器将流量信号放大处理后,可显示流体流量,并能输出脉冲,摸拟电流等信号,用于流量的控制和调节。

E=KBdV

式中: E――――为电极间的信号电压(V)

    B――――磁通密度(T)

    d――――测量管内径(m)

V――――平均流速(m/s)

式中K,d为常数,由于励磁电流是恒流的,故B也是常数,则由E=KBdV可知,体积流量Q与信号电压E成正比,即流速感应的信号电压E与体积流量Q成线性关系。因此,只要测量出E就可确定流量Q,这就是电磁流量计的基本工作原理。

由E=KBdV可知,被测流体介质的温度、密度、压力、电导率、液固两相流体介质的液固成分比等参数不会影响测量结果。至于流动状态只要符合轴对称流动(如层流或紊流)就不会影响测量结果的。因此说电磁流量计是一种的体积流量计。对于制造厂和用户来说,只要用普通的水实际标定后就可测量其他任何导电流体介质的体积,而不需作任何修正,这是电磁流量计的一突出优点,是其他任何流量计所没有的。测量管内无活动及阻流部件,因此几乎没有压力损失,并具有很高的可靠性。

☆产品选型

1、量程范围确认

一般工业用电磁流量计被测介质流速发2~4m/s为宜,在特殊情况下,zui低流速应不小于0.1m/s,高不大于8m/s。若介质中含有固体颗粒,常用流速应小于3m/s,防止衬里和电极的过分磨擦;对于粘滞流体,流速可选择大于2m/s,较大的流速有助于自动消除电极上附着的粘滞物的作用,有利于提高测量精度。在量程Q已确定的条件下,即可根据上述流速V的范围决定流量计口径D的大小,其值由下式计算:

Q:流量(/h)

D:管道内径(m)

V:流速(m/h)

电磁流量计的量程Q应大于预计的量大流量值,而正常的流量值以稍大于流量计满量程高刻度的50%为宜。

2、参考流量范围

表2

通径(mm)流量范围(/h)通径(mm)流量范围(/h)
DN150.6~6.36DN50070.65~7065.00
DN200.11~11.30DN600101.74~10173.60
DN250.18~17.66DN700138.47~13847.40
DN400.45~45.22DN800180.86~18086.40
DN500.71~70.65DN900228.91~22890.60
DN651.19~119.40DN1000282.60~28260.00
DN801.81~180.86DN1200406.94~40694.40
DN1002.83~282.60DN1600723.46~72345.60
DN20011.30~1130.40DN1800915.62~91562.40
DN25017.66~1766.25DN20001130.40~113040.00
DN30025.43~2543.40DN22001367.78~136778.40
DN35034.62~3461.85DN24001627.78~162777.60
DN40045.22~4521.60DN26001910.38~191037.60
DN45057.23~5722.65

3、衬里的选择

表3

衬里材料主要性能高介质温度适用范围
一体型分离型
聚四氟乙烯
(F4)
1、 是化学生能zui稳定的一种塑料,能耐沸腾地盐酸、硫酸、硝酸和王水,也能耐浓碱和各种有溶剂。不耐三氟化**、高温三氟化**、高速液氟、液氧、臭氧的腐蚀。
2、耐磨性能不如聚氨酯橡胶。
3、抗负压能力不如聚**丁橡胶。
70℃100℃
150℃(需
特殊订货)
1、浓酸、碱等腐蚀性介质
2、卫生类介质
聚全氟乙丙类烯(F46)
同上
聚氟合乙烯
(Fs)
适用温度上限较聚四氟
乙烯低,但成本也较低。
70℃80℃
聚**丁橡胶1、有好的弹性,高度的扯断力,耐磨性能好。
2、耐一般低浓度酸、碱、盐介质腐蚀,不耐氧化性介质的腐蚀。
80℃
120℃(需特
殊订货)
水、污水、弱磨损性的泥浆矿浆
聚氨酯橡胶1、耐磨性能强
2、耐腐蚀性能较差
80℃中性强磨损的矿浆、煤

4、电极材质的选择

表4

电极材料耐蚀及耐磨性能
不锈钢
0CR18NI12MO2TI
用于工业用水、生活用水、污水等具有弱腐蚀性的介质,适用于石油、化工、钢铁等工业部门及市政、环保等领域。
哈氏合金B对沸点以下的一切浓度的盐酸有良好的耐蚀性,也耐硫酸、磷酸、氢氟酸、有机酸等非**化性酸、碱,非氧化性盐液的腐蚀。
哈氏合金C能耐非氧化性酸,如硝酸、混酸、或铬酸与硫酸的混合介质的腐蚀,也耐氧化性盐类如Fe+++、Cu++下或含其他******的腐蚀,如高于常温的次**酸盐液、海水的腐蚀。
能耐海水、各种**化物和次**酸盐、氧化性酸(包括发烟硫酸)、有机酸、碱的腐蚀。不耐较纯的还原性酸(如硫酸、盐酸)的腐蚀,但如酸中含有******(如硝酸、Fe+++、Cu++)时,则腐蚀大为降低。
具有优良的耐蚀性,和玻璃很相似。除了氢氟酸、发烟硫酸、碱外,几乎能耐一切化学介质(包括沸点的盐酸、硝酸和150℃的硫酸)的腐蚀。在碱中不耐蚀。
铂/铱合金几乎能耐一切化学介质,但不适用于王水和铵盐。
不锈钢涂覆碳化钨用于无腐蚀性,强磨损性的介质。

注:由于介质种类繁多,其腐蚀性又受温度、浓度、流速等复杂因素影响而变化,故本表仅供参考,用户应根据实际情况自己做出选择,必要时应倾向拟选材料的耐腐试验,如挂片试验。

☆产品选型

KRD-LDE--高压电磁流量计
口径(mm)代号口径(mm)流量范围(/h)
代号口径(mm)流量范围(/h)
D10100.06~2.3D15015015~510
D15150.15~5.1D20020027~904
D25250.4~14D25025042~1416
D32320.7~23D30030061~2040
D40401~36D35035083~2776
D50501.7~57D400400109~3624
D80804~145D500500170~5664
D1001007~226D600600245~8152
介质温度T0

0~80℃

T1

0~120℃

T2

0~180℃

衬里材料F0

聚氨脂≤80℃中性矿浆、泥浆、煤浆

F1

耐磨橡胶≤60℃一般酸、碱、盐介质

F2

聚四氟乙烯≤180℃浓度较大酸、碱、盐介质

F3

改性聚氨脂≤120℃中性浆液

电极材料K1

316L

K2

哈氏

K3

钛材/钽材

K4

碳化物(耐磨)

工作压力P1

2.5MPa 全系列口径

P2

6.4MPa 口径≤150

P3

16MPa 口径≤150

P4

25MPa 口径≤150

P5

35MPa 口径≤150

连接方式C0

法兰式

C1

法兰夹装式

转换器结构E1

一体式智能表头

E2

分体式智能表头,注:信号线长度应注明

供电电压H0

220VAC

H1

24VDC

输出类型G1

4~20mA

G2

1~5V

G3

Rs485

防爆类型N

普通型

D

隔爆型(供电应选24VDC)

KRD-LDE- 

未标题-2.jpg

☆安装与使用

1、对外部环境的要求
a、流量计应避免安装在温度变化很大或受到设备高温辐射的场所,若须安装时,须有隔热、通风的措施。
b、流量计zui好安装在室内,若须安装于室外,应避免雨水淋浇,积水受淹及太阳曝晒,须有防潮和防晒措施。
c、流量计应避免安装在含有腐蚀性气体的环境中,须安装时,须有通风措施。
d、为了安装、维护、保养、方便,在流量计周围需有充实的安装空间。
e、流量计安装场所应避免有强磁场及强振动源,如管道振动大,在流量计两边应有固定管道的支座。
2、对直管段的要求
为了改善涡流与流场畸变的影响,流量计安装的前、后直管段长度有一定要求,否则会影响测量精度(也可安装整流器,尽量避免在靠近调节阀和半开阀门之后安装)。

管道安装类型安装示意图标准管道式
前直管道L后直管道S
水平管图a5D3D
弯管图b10D5D
扩口管图c10D5D
阀门下游图d10D5D
收缩管图e5D2D
汞下游图f15D5D
混合液图g30D3D

4cd765ecf923bac7fb4f137376042a19_14035B159-12.gif

3、对工艺管的要求
流量计对安装点的上、下游工艺管有一定的要求,否则影响测量精度。
a、上、下游工艺管的内径与传感器的内径相同,并应满足:0.98DN≤D≤1.05DN (式中DN:传感器内径,D:工艺管内径)
b、工艺管与传感器须同心,同轴偏差应不大于0.05DN
4、旁通管的要求
为了方便检修流量计,zui好为流量计安装旁通管,另外,对重污染流体及流量计需清洗而流体不能停止的

,须安装旁通管。

3b07a9f6b994d9049a01190a26f6a89c_1403562A3-13.gif

a、 方便流量计的检修
b、 对重污染流体须安装
c、流体不能停止而流量计需清洗
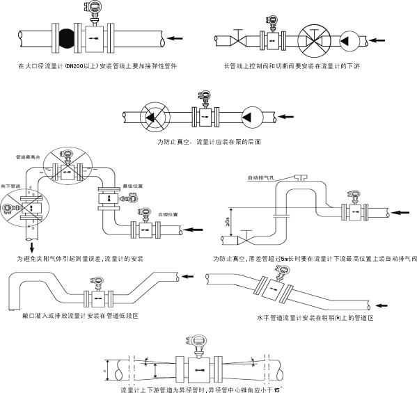
5、流量计在管线上的安装要求

c097c1aa1ed82945db4dcdf24f669859_14035B2L-14.gif

6、传感器的接地
为了使仪表可靠的工作,提高测量精度,不受外界寄生电势的干扰,传感器应有良好的单独接地线,接地电阻<10Ω。在连接传感器的管道内若涂有绝缘层或是非金属管道时,传感器两侧还应加装接地环。
a、在金属管道上的接地方式:金属管道内避没有绝缘层,按下图接地。

3550cc0b41f36f1bcbd5b9047b31ddaa_14035A626-15.gif

b、在塑料管道上或有绝缘层、油漆管道上的接地方式:传感器上的两端面应加装接地环,使管内流动的被测介质与大地短接,具有零电位。否则,电磁流量计无法正常工作。(见下图)

f10fe69be9998175130c7250d0e4a5a0_1403563448-16.gif

7、传感器在阴极保护管道上的安装
防护电解腐蚀的管道通常在其内壁和外壁是绝缘的,因此被介质没有接地电位。所以,传感器须使用接地环。具有阴极防腐蚀保护的管道,传感器与两侧连接管道之间常是绝缘的,所以介质对地是不导通的,安装时要注意下列各点:
a、接地环要装在传感器的两端面上,他们须与工艺管道的法兰绝缘,通过接地线2与传感器相连,接地环的材质应能耐介质的腐蚀,制造厂通常提供的标准材料是不锈钢(1Cr18Ni9Ti)
b、仪表两侧工艺管的法兰应该用截面积为4mm2的铜导线绕过传感器相连,使阴极保护电位与传感器之间隔离。须要注意,不要连接到传感器上去。
c、法兰连接螺栓须与工艺管道的法兰绝缘,用户须自备绝缘材料制造的衬套和垫圈。详见下图示意。

be99ec97fd4c719d5016867e7e4cfc41_14035B035-17.gif

8 电磁流量计的搬运

aa4a173e0388cfcc1f6b6441c81f1738_1403562333-18.gif

9、流量计安装时注意事项
a、安装尺寸一定要计算准确,否则容易泄露或安装不上。
b、流体流向须与传感器表面上的流向箭头保持一致。
c、流量计的电极轴线须近似水平,否则影响测量精度。
d、传感器两边的法兰须保持平行否则容易泄露。
e、为了避免在安装后形成旋涡流动,应保证工艺配管、密封件、流量计同轴连接不能错开。
f、安装流量计时,严禁在紧靠流量计法兰处电焊施工,以免烧伤流量计衬里。
g、对不同性质的工艺管道,应采用相应的接地方式(见传感器接地)。
h、对于腐蚀性介质,zui好应垂直安装,被测介质自下往上流动,这样可以避免固体颗粒在流量计管道中沉积,使衬里腐蚀均匀,延长使用寿命。
i、对于测量管口径大于200mm,为了方便,可采用伸缩头

☆接线指南

1、方表端子接线与标示(分体型)

2ae6b5d12176cf1daa1b290432e6448b_14035C555-19.gif

2、方表信号线的处理与标示

389c888b9fb9f23ba0642fc0132eb1d5_1403562V8-20.gif

3、圆表端子接线与标示(一体型)

10ad4d86302c2295c041b53abbea65db_14035A525-21.gif

圆表各接线端子标示含义如下:
I+:流量电流输出 COM:报警输出地
COM:电流输出地 FUSE:输入电源保险丝
P+:双向流量频率(脉冲)输出 T1+:通讯输入
COM:频率(脉冲)输出地 T2-:通讯输入
Al:下限报警输出 L1:220V(24V)电源输入
Ah:上限报警输出 L2:220V(/24V)电源输入
4、圆表信号线的处理与标示

be9f819409576f053506fde99498ba9a_14035A416-22.gif

注:分体式电磁流量计传感器与转换器连接电缆尽可能短,不要将多余的电缆卷在一起。
连接电缆不能与其他电缆线,如变压器、电动机及其它力电缆装一起,其距离至少大于1m。
连接电缆不能在中途断开或短路也不能改变订货要求长度。
电缆布线应尽量避免干扰源。

在线客服
服务热线

服务热线


13151063325

微信咨询
江苏科瑞达仪表线缆有限公司
返回顶部